Cookies

Utilizamos cookies propias y de terceros para mejorar nuestros servicios.

Volver

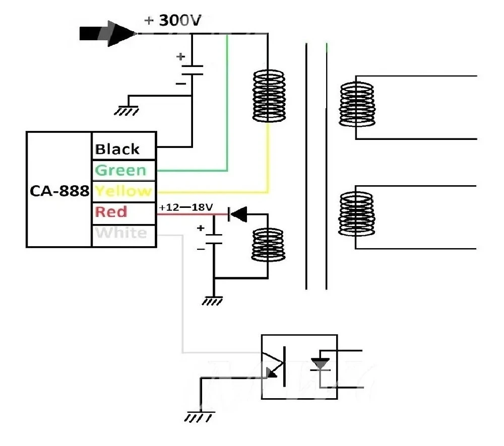
MODULO FUENTE UNIVERSAL CA-888 POWER MODULE HASTA 24 SALIDA 12 - 18V

$ 10.000,00

Cantidad
10 Disponibles

Descripción

MODULO FUENTE UNIVERSAL CA-888 POWER MODULE HASTA 24 SALIDA 12 - 18V